Características
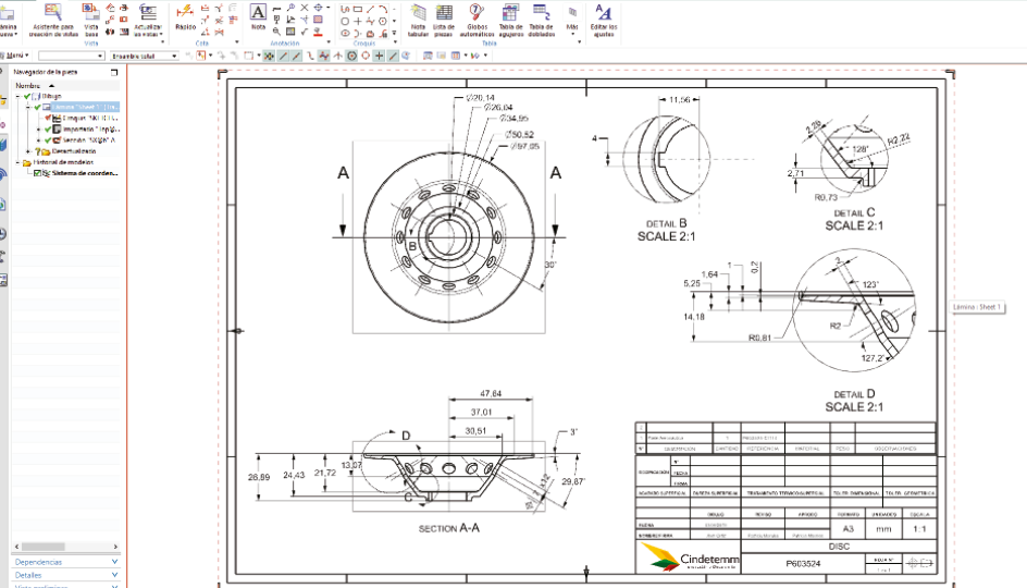
Con el uso del software Siemens NX CAE, Siemens CAD CAM y Solid Edge CAD, realizamos tus proyectos para la creación y optimización de piezas, partes y máquinas.
Aplicación de programas computacionales de ingeniería para evaluar componentes o ensambles, contiene simulación, validación y optimización de productos, es usada en ingeniería civil, mecánica, aeroespacial, y electrónica


Resultados
ALTO NIVEL DE INGENIERÍA
ALTO NIVEL DE INGENIERÍA

Cotizar
Obten una atención más personalizada sobre el servicio que deseas y nuestros costos.
-
-
Cámara de Comercio de Dosquebradas
-
Cluster Aeronáutico Región Eje Cafetero
-
Red Metalmecánica de Risaralda